客服熱線:0371-56079958 環球破碎機網在線客服在線客服

隆中重工洗砂回收零排放項目進展

2020-10-20來源:環球破碎機網

   項目背景

 
  本條生產線是對天然砂進行篩分、清洗回收,并對尾水中高嶺土進行干排處理。針對洗砂回收零排放設備如何選擇,客戶經過多方對比、考察,最終選擇了我們隆中重工作為設備供應商。
 
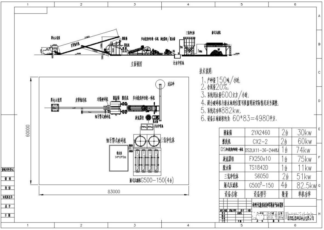
現場布局
 
  一、用戶設備選型依據
 
  1、物料類型:機制砂
 
  2、處理量:100噸/小時(干物料)
 
  3、原料含泥量:約20%
 
  4、系統總水量:<200m?/h
 
  二、用戶需求:
 
  (1)處理5mm以下,洗砂、回收、脫水
 
  (2)尾水零排放
 
  三、推薦設備
 
  1、雙輪洗砂回收一體機2LZ30-75-1842J,1臺
 
  2、三氫凈化體S6040,1臺
 
  3、廂式壓濾機G500-125T,2臺
 
 
  四、實施方案
 
  本方案對天然砂進行篩分、清洗回收,并對尾水中高嶺土進行干排處理,具體實施方案如下:
 
 
  雙輪洗砂回收一體機,對物料進行清洗,并回收,產出成品砂。
 
 
  三氫凈化體,對細砂回收作業后的泥水進行濃密。
 
  廂式壓濾機,將三氫凈化體濃密后的污泥壓成泥餅,實現泥水徹底分離,同時產出成品高嶺土。
 
 
  從前期的方案設計到施工布局,中期的安裝指導和調試運營,以及后期人員的操作培訓,均由隆中重工全程跟蹤和把控,不僅節約了時間成本,也使得生產線能快速投入生產,為客戶創造經濟價值。

責任編輯:王子祺
環球破碎機網版權與免責聲明:(點擊查看)
向本網編輯提供資訊線索 熱線:0371-56079958 E-mail:ycrusher@126.com
返回環球破碎機網首頁
熱度排行
Ycrusher.com 環球破碎機網 Copyright © 2007-
設為首頁 | 加入收藏 | 廣告合作 | 聯系方式 | 關于我們 | 服務項目 | 網站導航 | 網站建設 | 加盟會員 | 友情鏈接 | 申請鏈接
業務聯系:(總機)0371-56079958 郵箱: 本站法律顧問:河南光法律師事務所
客服QQ:環球破碎機網客服:2242538890 2233515786 280327213 技術:環球破碎機網技術支持:497398702 MSN:
軟件著作權:2016SR275876 豫ICP備11007950號 增值電信業務經營許可證:豫B2-20190850 軟件著作權:2016SR275876

豫公網安備 41010502002251號


掃破碎機網微信公眾號-閱讀行業最新資訊