客服熱線:0371-56079958 環球破碎機網在線客服在線客服

紅獅水泥通過產能置換浙江兩家水泥企業跨省新建3000t/d孰料項目

2018-05-24來源:環球破碎機網

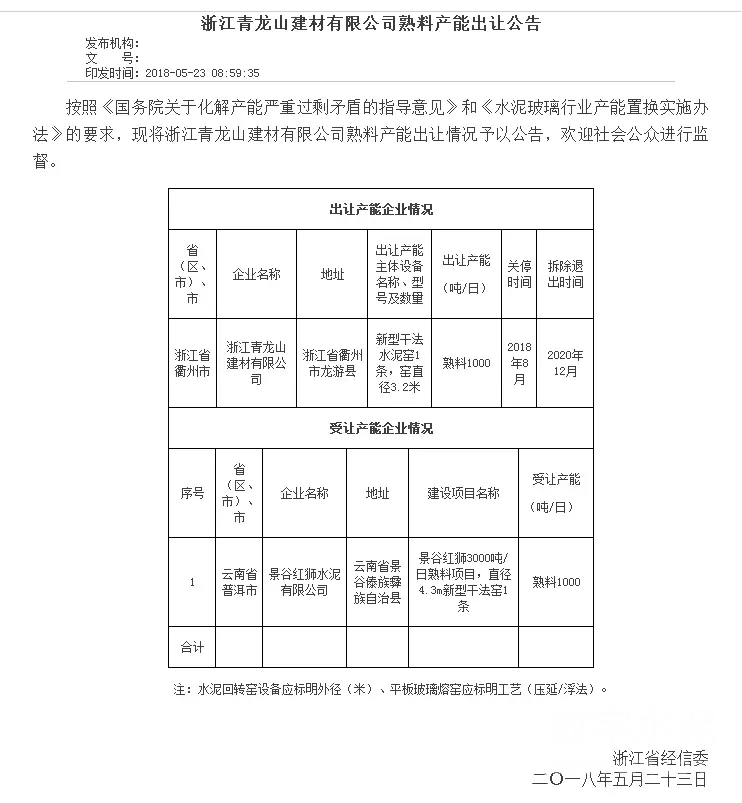
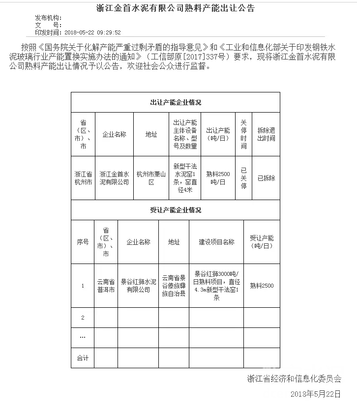
   日前,浙江省經信委發布了浙江金首水泥有限公司2500t/d和浙江青龍山建材有限公司1000t/d的孰料產能出讓公告,而景谷紅獅水泥有限公司為兩家水泥企業的受讓產能企業,建設項目為景谷紅獅3000t/d熟料項目(直徑4.3m新型干法窯1條)。公告內容如下:


文關鍵詞:

水泥 項目 企業

責任編輯:宋欣
環球破碎機網版權與免責聲明:(點擊查看)
向本網編輯提供資訊線索 熱線:0371-56079958 E-mail:ycrusher@126.com
返回環球破碎機網首頁
熱度排行
Ycrusher.com 環球破碎機網 Copyright © 2007-
設為首頁 | 加入收藏 | 廣告合作 | 聯系方式 | 關于我們 | 服務項目 | 網站導航 | 網站建設 | 加盟會員 | 友情鏈接 | 申請鏈接
業務聯系:(總機)0371-56079958 郵箱: 本站法律顧問:河南光法律師事務所
客服QQ:環球破碎機網客服:2242538890 2233515786 280327213 技術:環球破碎機網技術支持:497398702 MSN:
軟件著作權:2016SR275876 豫ICP備11007950號 增值電信業務經營許可證:豫B2-20190850 軟件著作權:2016SR275876

豫公網安備 41010502002251號


掃破碎機網微信公眾號-閱讀行業最新資訊